The Orion™ KRF series vacuum pumps are the work horse of the industry, in all types of equipment, such as robotics, pick and place machines, vacuum chucking, graphic art, printing, material handling, air sampling, suction lifting, packaging, vacuum sealing, and blow molding. The Orion™ KRF series is the direct replacement for the Orion™ KRS and KRX series of vacuum pumps.
Jallo carries complete units in stock, direct replacements, as well as many parts in stock. We also carry rebuild kits to completely overhaul your Orion™ KRF-15, KRF-25, KRF-40, KRF-70, and KRF-110 vacuum pumps, or if you prefer, ship your KRF pump to us and we will give you a free estimate on the repairs needed to rebuild your pump. The Orion™ KRF series of vacuum pumps are the updated versions of the Orion™ KRX series of vacuum pumps.
Orion KRF-110 Vacuum and Pressure Specifications
| Model | Motor | RPM | HP | CFM | Max. Hg" | Max. PSI | LBs | KGs |
|---|---|---|---|---|---|---|---|---|
| KRF110(V)SS-G | No Motor | 77.0 | 27.5" | 14 psig | 240.0 | 109.0 | ||
| KRF110(V)SS-G1 | 208-230/460V | 1200 | 5.0 | 77.0 | 27.5" | 14 psig | 280.0 | 127.0 |
Performance Specifications
- Standard voltage for 3 phase pump is 208-230/460V 3ph 60hz.
- All pumps are available in 50hz frequency and with other voltages.
- Oil free, maintenance free, and quiet operation (75 dB).
- Compact lightweight design intended to handle vacuum and/or pressure applications.
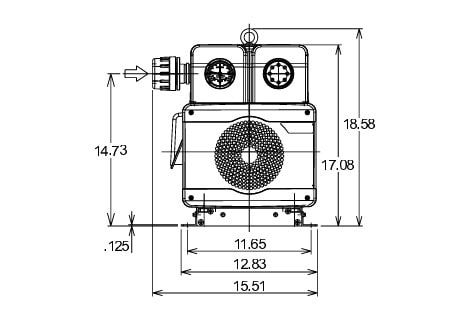
External Dimensions
Orion KRF-110 Part Breakdown
| # | Part | Part Number | Quantity |
|---|---|---|---|
| 1 | Main Cover | Contact | 1 |
| 2 | SD Case Cover | Contact | 1 |
| 3 | Main Cover | Contact | 1 |
| 4 | Auxiliary Bolt | Contact | 1 |
| 5 | SFF70 Assy | Contact | 1 |
| 6 | DShape Gauge | Contact | 1 |
| 7 | Front Cover | 03101469010 | 1 |
| 8 | Gauge Cover | Contact | 1 |
| 9 | Fan Assy | 02035372010 | 1 |
| 10 | KRF110 Body | KRF-110 C/P | 1 |
| 11 | Gasket (A) | 04002846010 / JVP-10-00013 | 2 |
| 12 | PDF110 Assy | Contact | 1 |
| 13 | Press Controller | Contact | 1 |
| 14 | Motor | KRF-110 3-Phase | 1 |
| 15 | Coupling | Contact | 1 |
| 16 | Spider | JVP-8-00042 | 1 |
| 17 | Fan W Coupling Assy | Contact | 1 |
| 18 | Coupling | Contact | 1 |
| 19 | Radial Fan | Contact | 1 |
| 20 | Bolt Holder Plate | Contact | 1 |
| 21 | Frame Base 110 1 | Contact | 1 |
| 22 | Frame Base 110 2 | Contact | 1 |
| 23 | Partition Plate Lower | Contact | 1 |
| 24 | Base Leg | Contact | 4 |
| 25 | Bolt Holder Plate | Contact | 2 |
| 26 | Support Bracket | Contact | 1 |
| B1 | Eye Bolt | Contact | 1 |
| B2 | Hex Head Bolt (W SW) | Contact | 6 |
| B3 | Hex Head Bolt (W SW) | Contact | 3 |
| B4 | Hex Head Bolt | Contact | 8 |
| B5 | Hex Socket Head Cap Bolt | Contact | 4 |
| B6 | Hex Socket Head Cap Bolt | Contact | 2 |
| B7 | Hex Socket Head Cap Bolt | Contact | 4 |
| B8 | Hex Socket Head Cap Bolt | Contact | 8 |
| B9 | Pan Head Small Screw | Contact | 4 |
| B10 | Pan Head Small Screw | Contact | 10 |
| B11 | Hex Socket Set Screw (Cone pt) | Contact | 1 |
| B12 | Truss Tapping Screw | Contact | 7 |
| B13 | Plain Washer | Contact | 8 |
| B14 | Plain Washer | Contact | 4 |
| B15 | Plain Washer | Contact | 8 |
| B16 | Spring Washer | Contact | 4 |
| B17 | Hex Head Nut (W SW) | Contact | 8 |
| NP | Caution Label (Elec. Shock) | Contact | 1 |
| NP | Caution Label (Heat) | Contact | 1 |
Product Manual
Orion KRF-110 Rebuild Kit Part List
| Description | Product ID | Quantity |
|---|---|---|
| Filters | 04041878010 | 2 |
| Filter Spring Tube | JVP-8-00029 | 2 |
| Rubber Gaskets for Filter Case and Muffler Cover | JVP-8-00030 | 1 |
| Washer Gaskets for Filter Knobnut | JVP-1002-00033A | 1 |
| Copper Bolt Washer / Gaskets | JVP-8-00076 | 8 |
| Manifold Gasket | JVP-10-00013 | 2 |
| Shims / Liners | JVP-10-00010 | 10 |
| Bearings | JVP-10-00006 | 2 |
| Bearing Spacers | JVP-10-00007 | 2 |
| Bearing Spacer Collars | JVP-10-00008 | 2 |
| Vanes | JVP-10-00003 | 6 |
| Spider Flexible Coupling | JVP-8-00042 | 1 |