JVP VCX 1005 Vacuum Pump

JVP’s VCX Series of dry vacuum pumps offer a positive displacement rotary claw design, which is air cooled and non-contacting. Because of its design, and quality construction, the JVP VCX series offer a pump which is very reliable, with a long service life, with minimal wear and low maintenance.

The VCX series of pumps offer the following highly sought after qualities:

  • Air cooled and direct driven design.
  • High Efficiency and continuous duty.
  • Relief valves included.
  • Low-maintenance, non-wearing parts.

The JVP VCX series serves a wide range of industries, including:

Chemical processing, power generation, food processing & packaging, environmental applications, agriculture, water supply treatment, medical, mining, oil & gas, research & development, and printing & bindery. Anywhere large quantities of high levels of vacuum are required, VCX series pumps are a good choice.

Typical applications using the JVP VCX series:

Packaging equipment, reticulated medical vacuum plant, vacuum drying, vacuuming mixing and deaeration, soil remediation, vacuum filtration, particle conveying, printing & paper, condenser exhausting, materials handling, router table holding, tank and pond aeration, back-flushing, sewage evacuation, and sewage digester gas compression.

VCX 1005 Vacuum Specifications

Hz Vacuum Hg" Vacuum KPA Vacuum CFM

Vacuum m3/hr

Suction / Exhaust Port Diameter Motor LBs KGs
60 28.4 96.2 670.9 1140 Flange, DN100 PN6/PN10 3Phase 18.5-22 4P - -
50 28.4 96.2 559.1 950 Flange, DN100 PN6/PN10 3Phase 18.5-22 4P - -

Performance Specifications

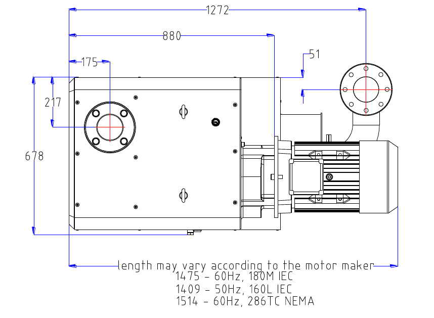
External Dimensions

Note: Dimensions in mm

No rebuild kit part list available online. Contact us or send a request form for more information.

Have Questions? We’re Here to Help!

Whether it’s a question about your pump, a specific part, or rebuilding your pump we’re here to help and provide you with the best quality service possible. Contact us today via contact form or phone call and we’ll gladly help you find the best solution you need.